网站首页
关于我们
产品中心
新闻资讯
人才招聘
案例中心
联系我们
产品中心
产品中心
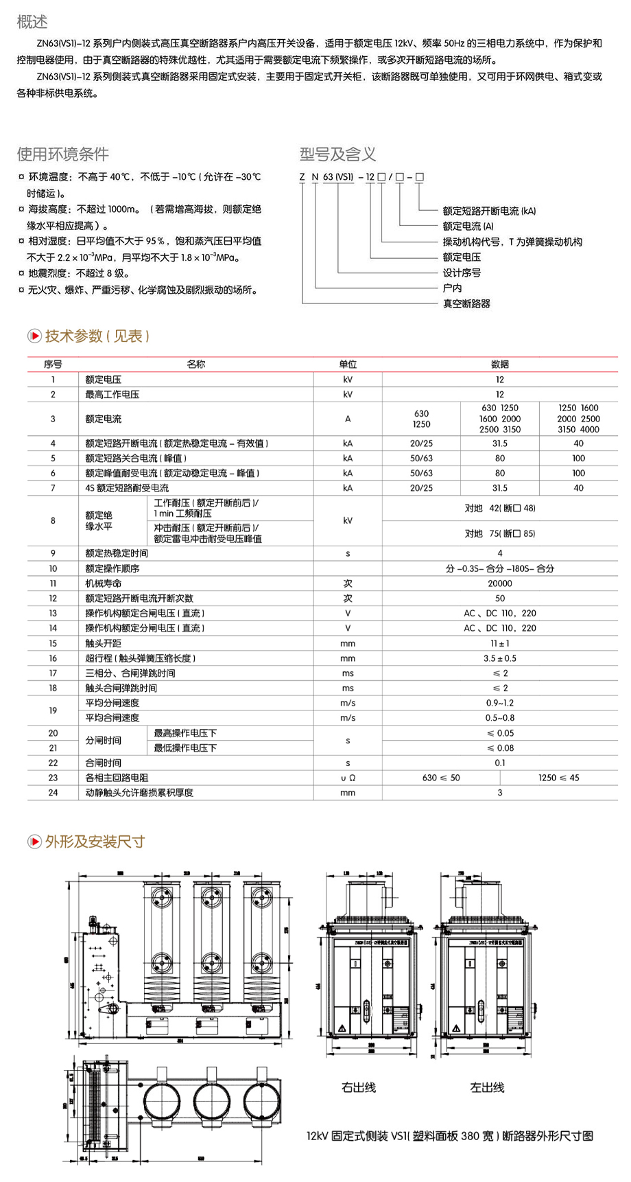
ZN63(VS1)-12户内高压侧装式真空断路器
箱式变电站系列
高压开关柜系列
低压开关柜系列
户外环网柜系列
高压电缆分接箱系列
户内高压负荷开关系列
户内高压真空断路器系列
不锈钢箱体系列
电缆护层接地箱
环保柜系列
固体柜系列
ZN63(VS1)-12户内高压侧装式真空断路器
电话:0577-27828050
手机:13388556555
邮箱:13388556555@163.com
地址:浙江省乐清市柳市镇上游村京游七路65号
上一篇:
ZN63(VS1)-12户内高压固定式真空断路器
下一篇:
ZN63(VS1)-12户内高压手车式真空断路器
返 回
长沙做网站